Čeština
Deutsch
English (United Kingdom)
Español
Français
Italiano
Polski
Português
Svenska
Objednávka
Menu
Nastavení
Přihlásit se
Menu
Nastavení
Přihlásit se
Implements
Loaders
Spare parts
Contact
Quicke Parts
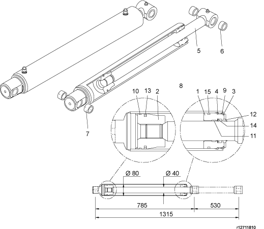
12711810-1 - Zvedací válec - Alo Černá
Zvedací válec
Číslo
12711810-1
Specifikace
Alo Černá
Soubor PDF
Soubor .csv
Soubor Excel
Soubor ilustrace
80/40