Čeština
Deutsch
English (United Kingdom)
Español
Français
Italiano
Polski
Português
Svenska
Bestellung
Menu
Einstellungen
Anmelden
Menu
Einstellungen
Anmelden
Geräte
Lader
Ersatzteile
Kontakt
Quicke Teile
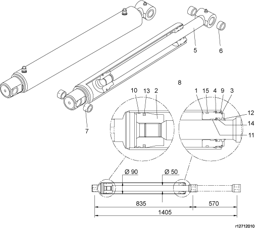
12712010-1 - Hubzylinder - Schwarz glänzend
Hubzylinder
Nummer
12712010-1
Spezifikation
Schwarz glänzend
Pdf-Datei
Csv-Datei
Excel-Datei
Datei zur Veranschaulichung
90/50