Čeština
Deutsch
English (United Kingdom)
Español
Français
Italiano
Polski
Português
Svenska
Pedido
Menu
Configurações
Fazer login
Menu
Configurações
Fazer login
Implements
Loaders
Spare parts
Contact
Quicke Parts
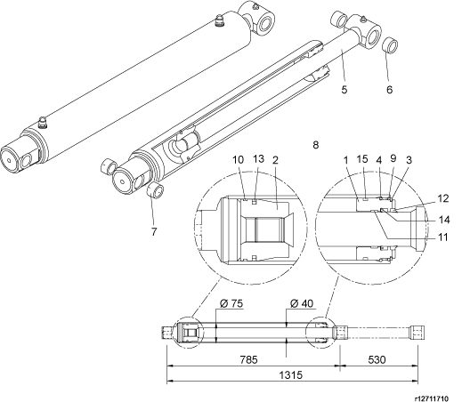
12711710-1 - Cilindro de elevação - Preto brilhante
Cilindro de elevação
Número
12711710-1
Specification
Preto brilhante
Arquivo PDF
Arquivo CSV
Arquivo do Excel
Arquivo ilustração
75/40