Čeština
Deutsch
English (United Kingdom)
Español
Français
Italiano
Polski
Português
Svenska
Zamówienie
Menu
Ustawienia
Zaloguj się
Menu
Ustawienia
Zaloguj się
Osprzęt
Ładowarki
Części zamienne
Kontakt
Części Quicke
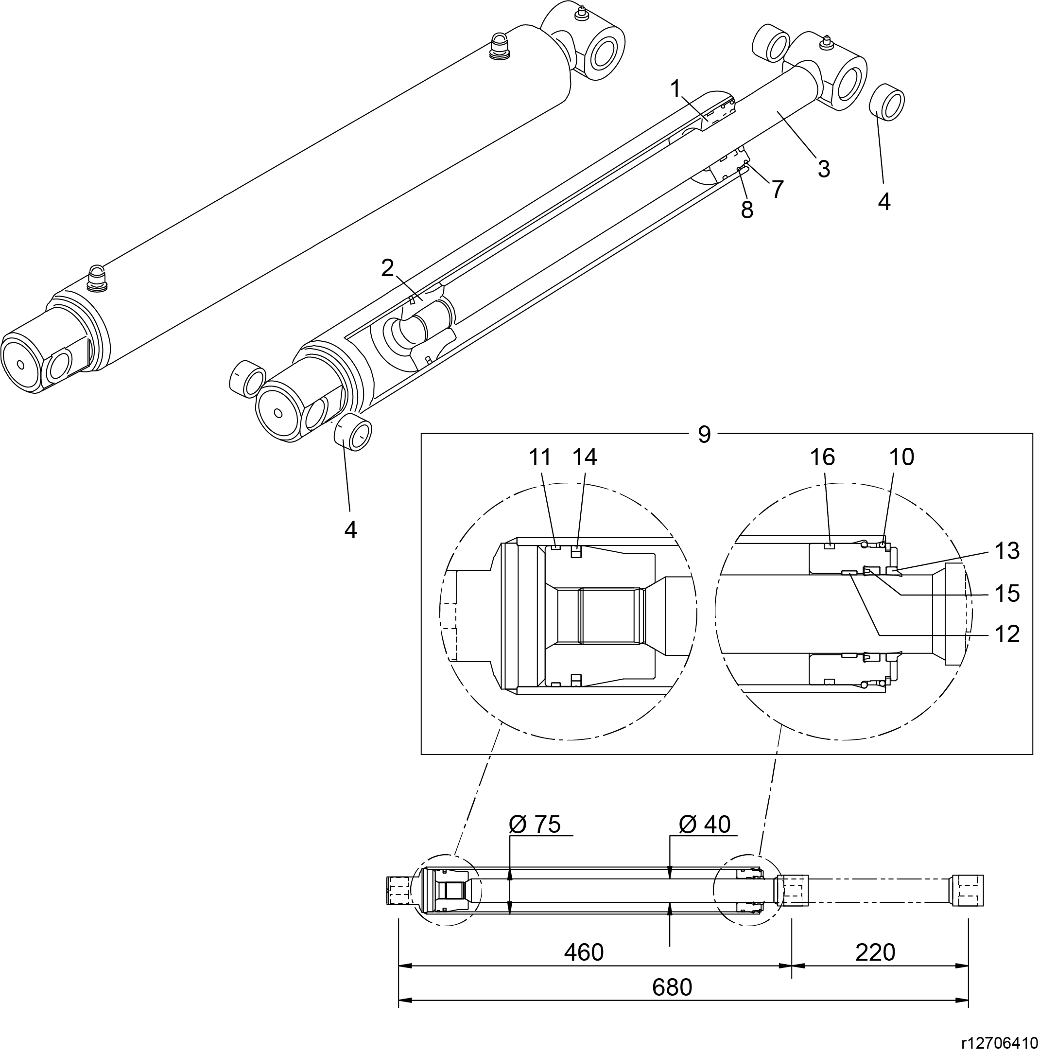
12706410-1 - Siłownik - Alo Czarny
Siłownik
Numer
12706410-1
Specyfikacja
Alo Czarny
Plik PDF
Plik Csv
Plik Excel
Plik ilustracji
75/40