Čeština
Deutsch
English (United Kingdom)
Español
Français
Italiano
Polski
Português
Svenska
Order
Menu
Inställningar
Logga in
Menu
Inställningar
Logga in
Redskap
Lastare
Reservdelar
Kontakt
Quicke reservdelar
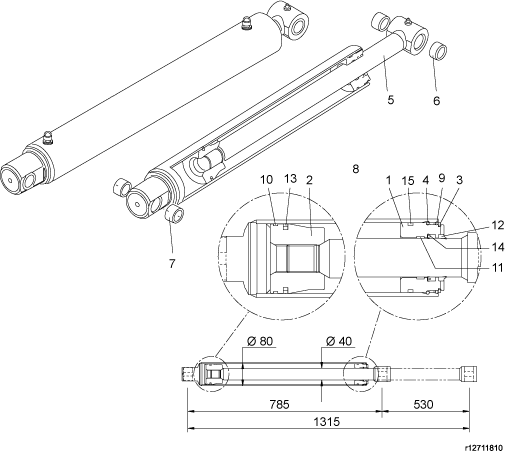
12711810-1 - Lyftcylinder - Blanksvart
Lyftcylinder
Nummer
12711810-1
Specifikation
Blanksvart
Pdf-fil
Csv-fil
Excel-fil
Illustrationsfil
80/40