• Čeština
    • Deutsch
    • English (United Kingdom)
    • Español
    • Français
    • Italiano
    • Polski
    • Português
    • Svenska
    • Inställningar
    • Logga in
    • Inställningar
    • Logga in
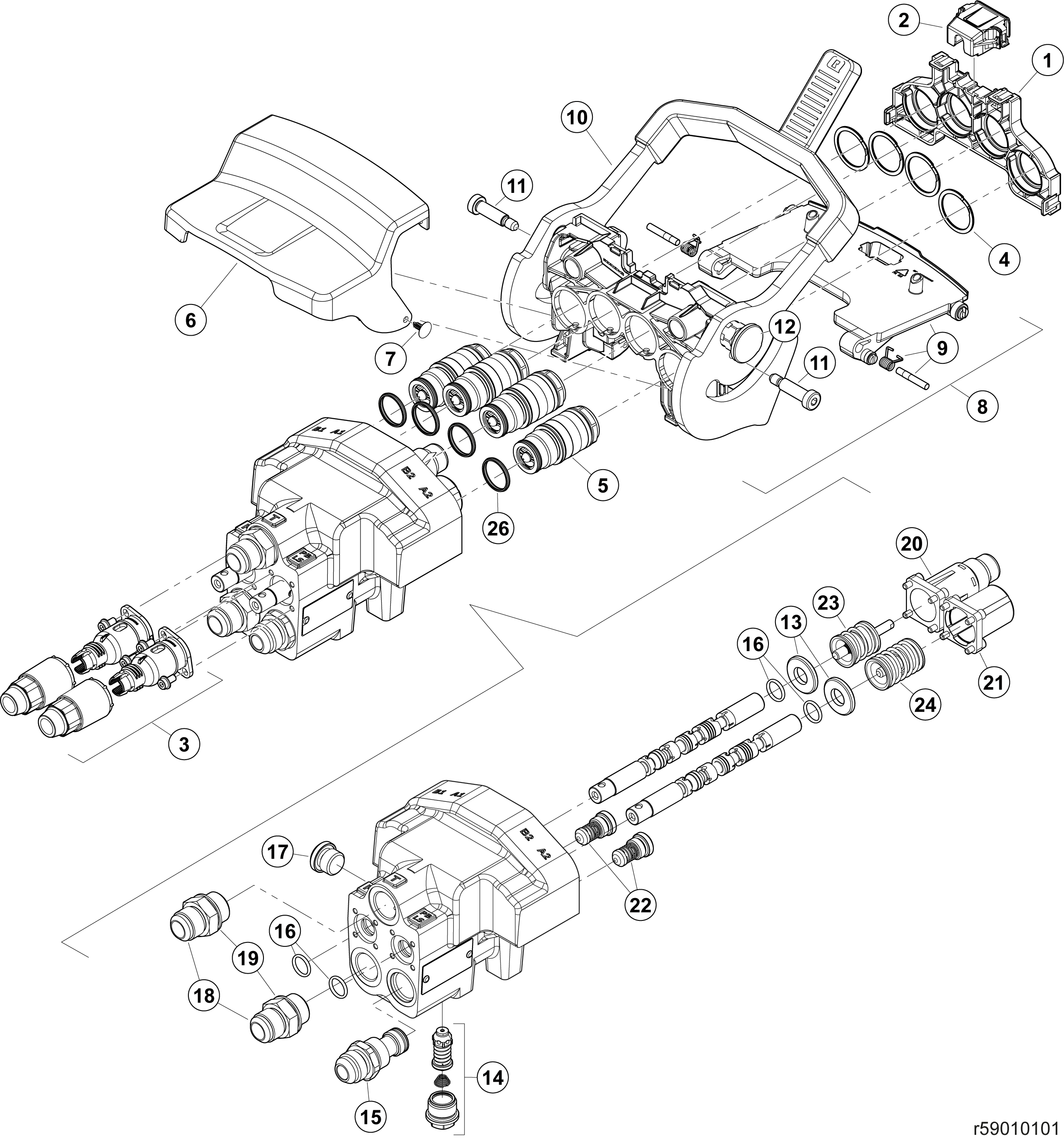
Quicke reservdelar Styrsystem och multikopplingar Mekaniskt styrd QM Command QCS Ventiler QM QCS Open Centre R 59012101 /59010101 QM Ventil QC4 OC

Specifikationer

17.0

Används i

    • Excel-fil
    • Csv-fil

R 59012101 /59010101 - QM Ventil QC4 OC - Open Centre

QM Ventil QC4 OC

Open Centre
    • Pdf-fil
    • Csv-fil
    • Excel-fil
    • Illustrationsfil

Copyright © 2024 Jost

Contact webmaster Dealer area Terms and conditions Sustainability Investor relations External privacy note